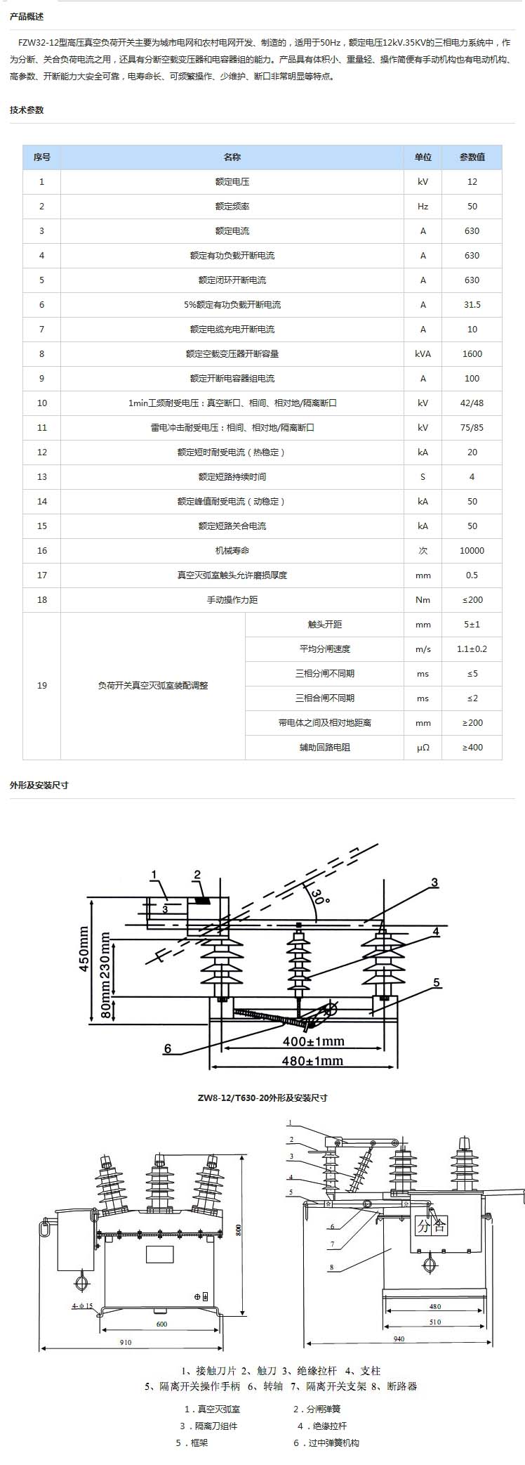
FZW32-12户外高压隔离真空负荷开关(以下简称负荷开关)是三相交流50Hz、额定电压12kV的户外高压开关设备,适合于开断、关合城市或农村配电系统负荷电流和熔断器的分断转移电流。配以电动机构和控制器可作为线路分断开关或自动分断器用。由于采用了新型绝缘结构设计和真空灭弧室,本负荷开关开断后具有明显可见断口,兼有隔离开关的功能,此外还有开断容量大、无油,因而对环境无污染、无爆炸危险、寿命长和免维护等特点。


1、周围空气温度:上限+40度,下限-40度;
2、海拔:≤1000m(若海拔增高,则额定绝缘水平相应提高);
3、风压:不超过700Pa(相当于风速34m/s);
4、地震烈度:不超过8度;
5、污秽等级:Ⅳ级;
6、最大日温差:不超过25度;
7、相对湿度:日平均不大于95%,月平均不大于90%;
8、无易燃、爆炸危险、化学腐蚀及剧烈振动的场所。

隔离刀是由弹簧过中机构进行合分闸操作的,过中弹簧提供了隔离刀合闸时所需的能量,并保证了真空灭弧室在分闸时熄灭电弧而不受人为因素的影响,真空灭弧室在隔离刀的分闸过程中,有快速机构提供灭弧室的分闸速度。隔离刀的三相联动操作确保了灭弧室的分闸同期性。




本网不做在线交易,标记价格仅做数据填充效果,具体报价,请联系发布人详细咨询。
ZW32-12智能看门狗真空断路器¥100.00
GW5-40.5型户外高压隔离开关¥100.00
GW4-40.5高压隔离开关¥100.00
GW9-12/630A高压隔离开关¥100.00
ZW20-12智能高压真空断路器¥100.00
ZW32看门狗真空断路器¥100.00
ZW32-12柱上高压真空断路器¥100.00
ZW32-40.5户外柱上高压真空断路器...¥100.00
ZW32-12一二次深度融合柱上高压真空断路器...¥100.00
ZW32-12预付费高压计量装置¥100.00
FN3-10R/400A FN3-10R/630A户内负荷开关装置...¥100.00
ZW32M-12高压永磁真空断路器¥100.00
FZRN21-12D FZN21-12D FZN21-12户内高压真空...¥100.00
FZW28-12F高压分界真空隔离负荷开关...¥100.00
CL-JX-VCS可视隔离开关箱 VCS可视化断点能量现场检修开关配电...¥220.00
DFW-12/630A高压电缆分支箱10KV欧式电缆分接箱环网柜...¥100.00
FZW28-12F/630-20真空负荷隔离开关 10KV带SOG柱上...¥100.00
ZN85-40.5/1250A-31.5手车式户内高压真空断路器KYN...¥100.00